Für unsere bastelnden PC-Liebhaber und alle, denen das Ding zu teuer ist:
Das Datenkabel für S10, S/E11, C10, C11, S25, C/S/M35, Nokia und viele andere

nach einigem (mutigen) Ausprobieren ist es gelungen: mein S10 spricht mit meinem PC, was etwa so aussehen kann:
at+csq
+CSQ: 24,99
OK
at+cpbr=?
+CPBR: (1-100),20,18
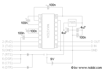
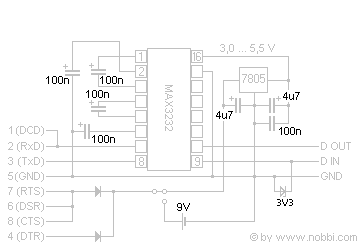
Eigentlich ist es nichts besonderes, es handelt sich letztendlich um eine Standardapplikation mit MAX232 (bei 5V-Geräten, etwa dem S10) oder MAX3232 (bei 3V-Geräten, etwa Nokia51/61/62/71xx oder S25/S,M,C35). Die Stromversorgung erfolgt über die serielle Schnittstelle des PC (falls RTS nicht ausreichend Strom liefert, können mehrere Schnittstellensignale zusätzlich verwendet werden, im Schaltbild grün), alternativ kann allerdings auch eine Batterie angeschlossen werden (im Schaltbild lila dargestellt). Wer den Schaltplan nicht versteht soll bitte die Finger weglassen. Bitte unbedingt vor Beginn der wilden Lötorgien nochmal das hier lesen.
Gut, danke. Man benötigt:
  • einen Fetzen Lochrasterplatine (Freiverdrahten geht aber auch)
  • eine Sockel 16pol (Mutige löten das IC direkt ein. Ich nicht.)
  • einen MAX232A oder MAX3232
  • zwei Dioden 1N...., fast egal welche (100mA sollten sie schadlos überstehen...)
  • 4 Tantalelkos je 100n
  • 2 Elkos je 4u7 (alternativ Tantalelkos)
  • 1 Kondensator 100n
  • optional 1 Zenerdiode 3V3
  • 1 Spannungsregler 7805 (78L05 (TO92) sollte eigentlich reichen, hatte ich aber grade keinen)
  • je ein Stecker für die serielle Schnittstelle am PC und die Schnittstelle am Telefon (*)
  • 1 Geschenk

die Platine:

9 oder 25poliger Stecker

die Interfaceplatine
Bez. 9pin 25pin
DCD 1 8
RxD 2 3
TxD 3 2
GND 5 7
RTS 7 4
DSR 6 6
CTS 8 5
DTR 4 20

der Schaltplan 5V:

der Bestückungsplan 5V:

Schaltplan Bestückungsplan

der Schaltplan 3V:

der Bestückungsplan 3V:

Schaltplan Bestückungsplan

der Hinweis zum Basteln:

nach Massgabe des Schaltplans ein feines Layout machen. Profis (nicht ich...) stecken einfach die Teile in die Platine und braten los. Die im Schaltplan blauen Teile sind optional und können je nach Applikation auch weggelassen werden:
  • Siemens SDL (für S10/11 etc.) benötigt bestimmte Pegel an DSR und CTS
  • die Brücke RxD-nach-DCD ist nur bei Nokia notwendig
  • die Spannungsversorgung der Schaltung kann wahlweise aus der seriellen Schnittstelle, aus einem Akku/einer Batterie oder, bei S25/X35 auch aus Pin 4 des Telefons erfolgen. In letzterem Fall kann die Versorgungsspannungsregelung natürlich entfallen.
Die im Bild sichtbaren Jumper stammen noch aus der Experimentierphase, einfach nicht beachten. Die Schaltung mit den entsprechenden Signalen der seriellen Schnittstelle am PC und den passenden Pins am Telefon verbinden. Ein Terminalprogramm starten (19200,8N1) und
at+cgmi
eingeben. Wenn das Telefon mit (zum Beispiel)
+CGMI: SIEMENS
antwortet, war die Arbeit erfolgreich, also das Geschenk einpacken und mir schicken.
Wenns geklappt hat, würde ich mich über eine kurze Nachricht freuen.

die weiterbildende Literatur:

es empfehlen sich die GSM-Spezifikationen TS GSM 07.05 (Use of Data Terminal Equipment - Data Circuit terminating; Equipment (DTE - DCE) interface for Short Message Service (SMS) and Cell Broadcast Service (CBS)) sowie TS GSM 07.07 (Digital cellular telecommunications system (Phase 2+); AT command set for GSM Mobile Equipment (ME)). Für die weniger abgehärteten habe ich hier eine kurze Zusammenfassung der (u.a.) vom S10 unterstützten Befehle.Vielleicht ist es ja hilfreich.......

* : Stecker fürs diverse Telefone: sinnvollerweise kauft man sich ein billiges Zubehörteil mit Stecker (darauf achten, daß alle Pins drin sind!) und verwendet den. Ein netter Mensch hat mich auf die portable Freisprecheinrichtung von HAMA (die heisst LIBERTY) aufmerksam gemacht. Generell gibt es von HAMA für viele Mobiltelefone Adapter, die recht preiswert zu sein scheinen. Der fürs S10 etwa kostet 19.95 DM, zu haben etwa bei Pro- oder MediaMarkt. Oder bei www.handystecker.de