| | |
| Und das gibts hier: |
| |
|
| |
| Baugleiche Geräte: |
|
Die folgenden Geräte sind baugleich zum Siemens P1, also
i.A. umgelabelte Siemens-Geräte:
- Telekom D1-314
- Mannesmann D2-Car 2021/3021
- Ascom SE 932T
- AT&T 3230
- ABB Veriphone D45-1P
|
| Probleme: |
|
In den deutschen Netzen scheinen Geräte unterhalb eines
bestimmten Softwarestands Probleme zu haben, diese schalten sich kurz
nach dem Einbuchen einfach ab. Die folgenden Softwarestände existieren,
die Version vom 13.07.94 scheint die aktuellste zu sein und läuft auch
noch in allen (?) Netzen:
| SW-Datum: |
Empfangsteil: |
OK? |
| 13.07.94 |
S24859-C2200-A10-01 |
ja |
| 13.07.94 09:16:05 |
S24859-C2000-A1-01 |
ja |
| 18.06.93 |
S24859-C2000-A1-01 |
ja |
| 29.01.93 |
|
nein |
| 17.12.92 |
|
nein |
|
| Den
Hardwarestand herausfinden: |
|
- das Gerät ausschalten
- den Sende-/Empfangsteil aus dem Rahmen lösen
- der Aufkleber darauf enthält in den letzten 2 Stellen
der Siemens Sachnummer den Hardwarestand, etwa: S24859-C2000-A10-53
ist HW-Stand 53.
|
| Den
Softwarestand herausfinden: |
|
- das Gerät einschalten
- die PIN eingeben, falls erforderlich
- Taste 8
drücken, bis V erscheint
- Taste #
drücken
- im Display Datum und Uhrzeit der SW ablesen
|
| Das
Gerät entsperren |
|
Falls das Gerät nach einem GERÄTECODE
fragt, hilft es, die folgenden Speicherstellen des seriellen EEPROMS zu
kennen:
| 0x59 |
Anzahl ungültiger Eingabeversuche, falls gesperrt
steht hier 03. Ein gesperrtes
Gerät kann durch Schreiben von 00
entsperrt werden |
| 0x5a..0x5d |
enthalten die 8 Stellen des unverschlüsselten
Gerätecodes in BCD-Codierung. Unbenutzte höherwertige Nibbles sind auf 0xf
gesetzt. Zurückstellen des Gerätecodes ist durch Schreiben von 0x00
bzw. 0xff nach 0x5a bis 0x5d
möglich |
|
| Den
Netmonitor benutzen: |
|
|
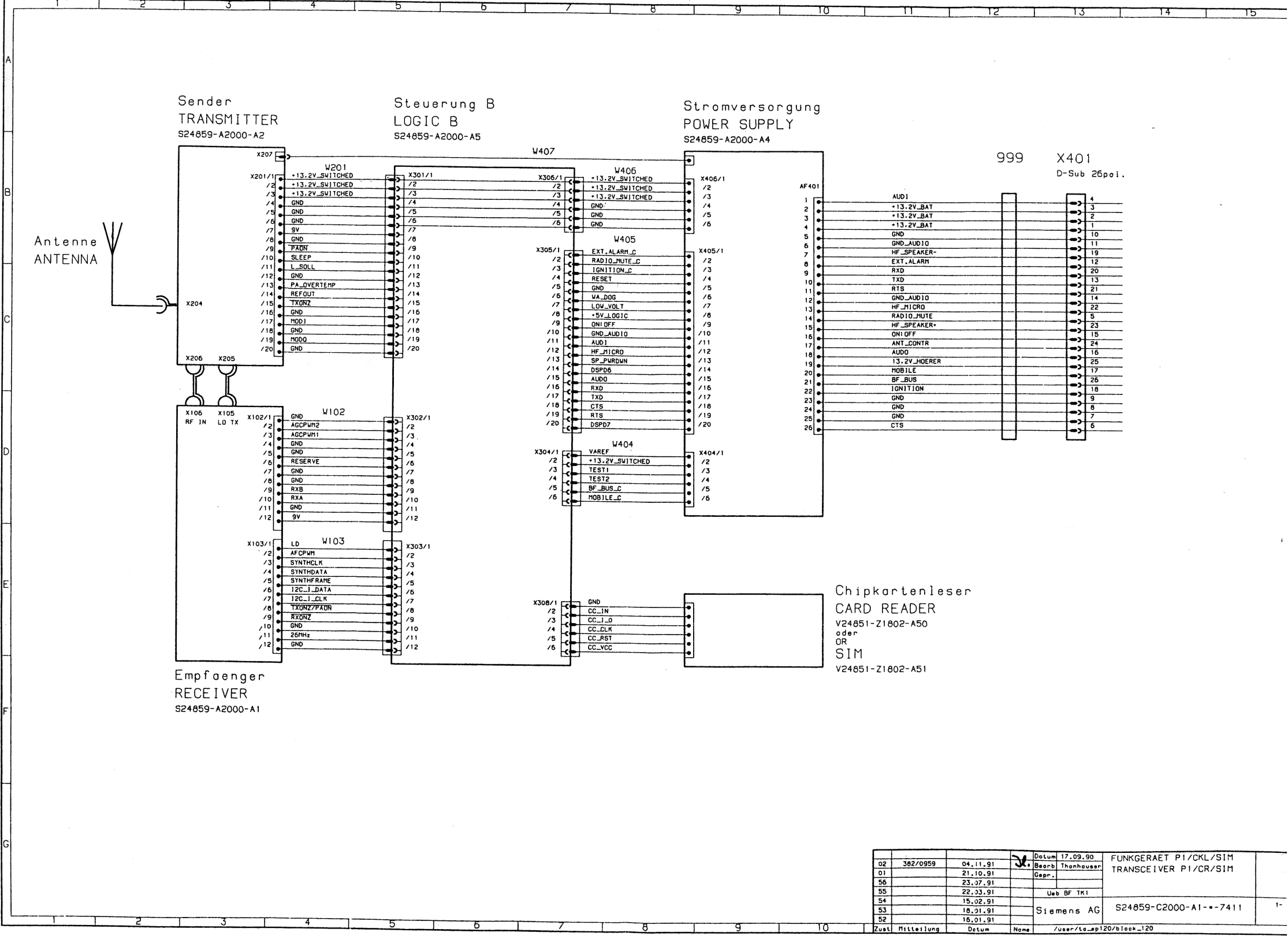
| Die
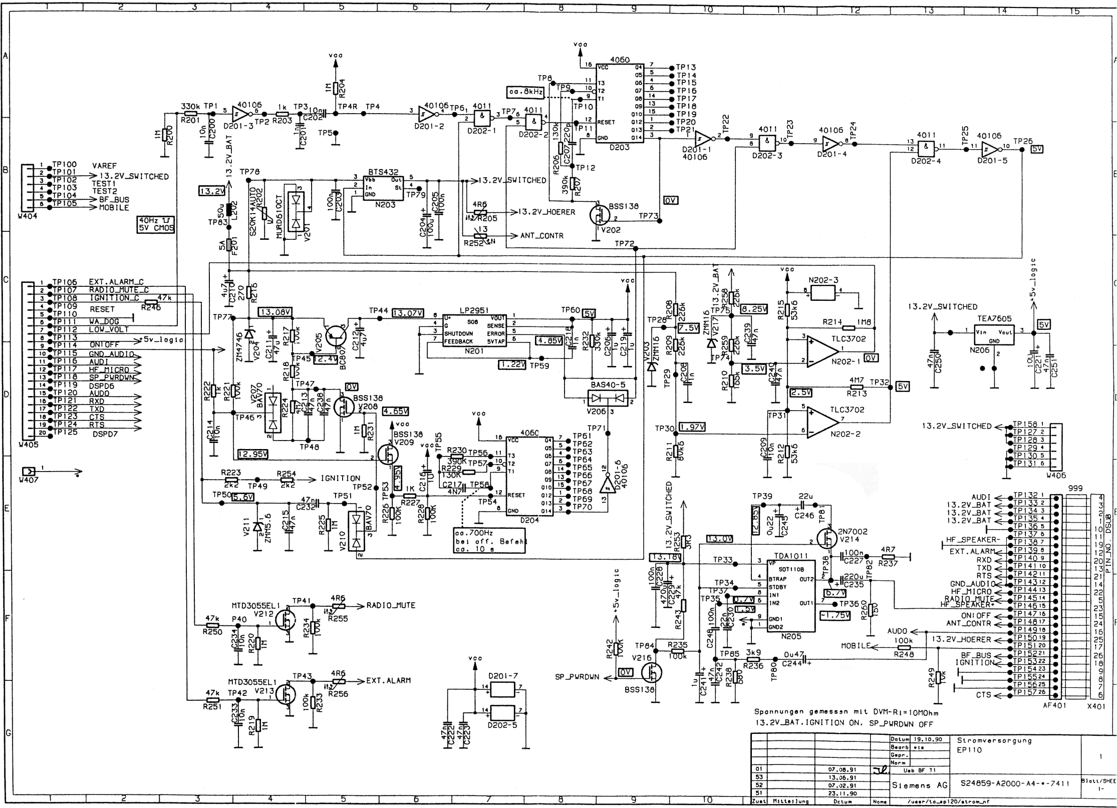
Belegung der 26poligen SubD-Buchse am Telefon: |
|
| Pin |
Name |
Funktion |
sonstiges |
| 1, 2, 3 |
V_BAT |
Bordspannung |
+12V |
| 4 |
AUDI |
Audiosignal IN |
Handset Pin3 |
| 5 |
RADIO_MUTE |
Radio |
Radio Stummschaltung |
| 6 |
CTS |
RS232 |
|
| 7,8,9 |
GND |
Masse |
|
| 10 |
GND |
Handset |
Handset Pin3 |
| 11 |
GND_AUDIO |
|
Masse Mikrofon |
| 12 |
EXT_ALARM |
Anrufsignal |
|
| 13 |
TXD |
RS232 |
|
| 14 |
GND_AUDIO |
|
Masse Mikrofon |
| 15 |
ON_OFF |
Ein/Aus |
|
| 16 |
AUDO |
Audiosignal OUT |
|
| 17 |
MOBILE |
|
Umschaltung Einbau/Tragbar |
| 18 |
IGNITION |
Zündung |
+12V wenn ON |
| 19 |
HF_SPEAKER- |
Freisprechen |
Lautsprecher FSE |
| 20 |
RXD |
RS232 |
|
| 21 |
RTS |
RS232 |
|
| 22 |
HF_MICRO |
Freisprechen |
Mikro FSE |
| 23 |
HF_SPEAKER+ |
Freisprechen |
Lautsprecher FSE |
| 24 |
ANT_CONTR |
Motorantenne |
+12V wenn aktiv |
| 25 |
132V_HOERER |
Handset |
Spannungsversorgung Handset Pin1 |
| 26 |
BF_BUS |
Handset |
Display Data out |
|
| Die
Belegung der 6poligen Stromversorgungsbuchse am Telefon: |
|
+---#---+ | 3 2 1 | | 6 5 4 | +-------+
|
- 13,2V BATTERY
- 13,2V IGNITION
- MOBILE
- GND BATTERY
- n.c.
- ???
|
|
3 liegt beim Zigarettenanzünderkabel auf 13,2V,
beim Steckernetzteil auf Masse, 6 ist beim Zigarettenanzünderkabel
nicht beschaltet, beim Steckernetzteil liegt der Pin auf Masse. |
|
| Weitere
Funktionen (teilweise vom SW-Stand abhängig): |
|
- A#
automatische Netzwahl ein/aus
- D# DTMF
senden ein/aus
- G# Dauer
letztes Gespräch anzeigen
- I# IMEI
anzeigen
- V#
Softwareversion anzeigen
- Sx# Sprache
wählen, x kann sein:
- deutsch
- englisch
- français
- suomi (finnish)
- nederlands
- italiano
- portuges
- svenska
- Tx#
automatisch ausschalten bei Kfz-Betrieb nach x Stunden
|
| Datenkabel
und Erfassungssoftware: |
|
Mittels dieses Kabels und einer Software von Siemens ist
es möglich, Versorgungsmessfahrten zu machen und dabei Messwerte
aufzuzeichnen. An Pin26 des Telefons werden offenbar die Inhalte des
Displays übertragen, man muss also den Netmonitor dazu einschalten.

|
| der
Aufbau des Akku-Einschubs |
|
Der Akku-Einschub ist nicht sehr kompliziert, man kann
das Innenleben leicht selbst nachbauen. Der eigentlich Akku besteht aus
9 in Reihe geschalteten NiCd-Sinterzellen 43x23mm, 1,2V zwischen den
äusseren Kontakten, zwischen den inneren Kontakten befindet sich ein
NTC mit Farbcode blau-weiss-rot-gold, also bei 25°C 6K9, 5%. Man kann
das Einschubgehäuse öffnen, indem man die 6 seitlichen Verschweissungen
abschneidet und dann das Gehäuse auseinanderklappt. |
| Ersatzteile
und Service: |
|
erhält man mit etwas Glück hier:
- Ersatzteile, bis hin zur Antenne
- Ersatzteile
- Ersatz für den NiCd-Akku gibts
hier
- hier kann man das P1 entsperren
lassen:
- REGEN GmbH, Lilienthalstr. 11, 30179 Hannover, Tel.
0511/9637-122 Fax -222 (Ersatzteile, Service und SW-Updates)
- KTC Zeyen, Auf dem Sand 32, 40721 Hilden Tel.:
02103-398431 Fax: 02103-396718 (Service und SW-Updates)
|
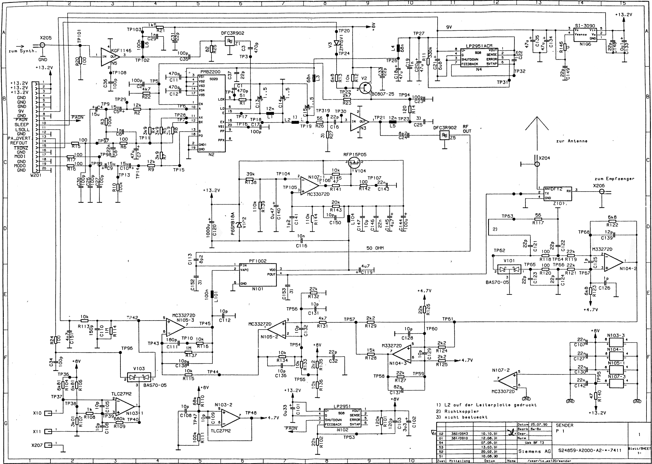
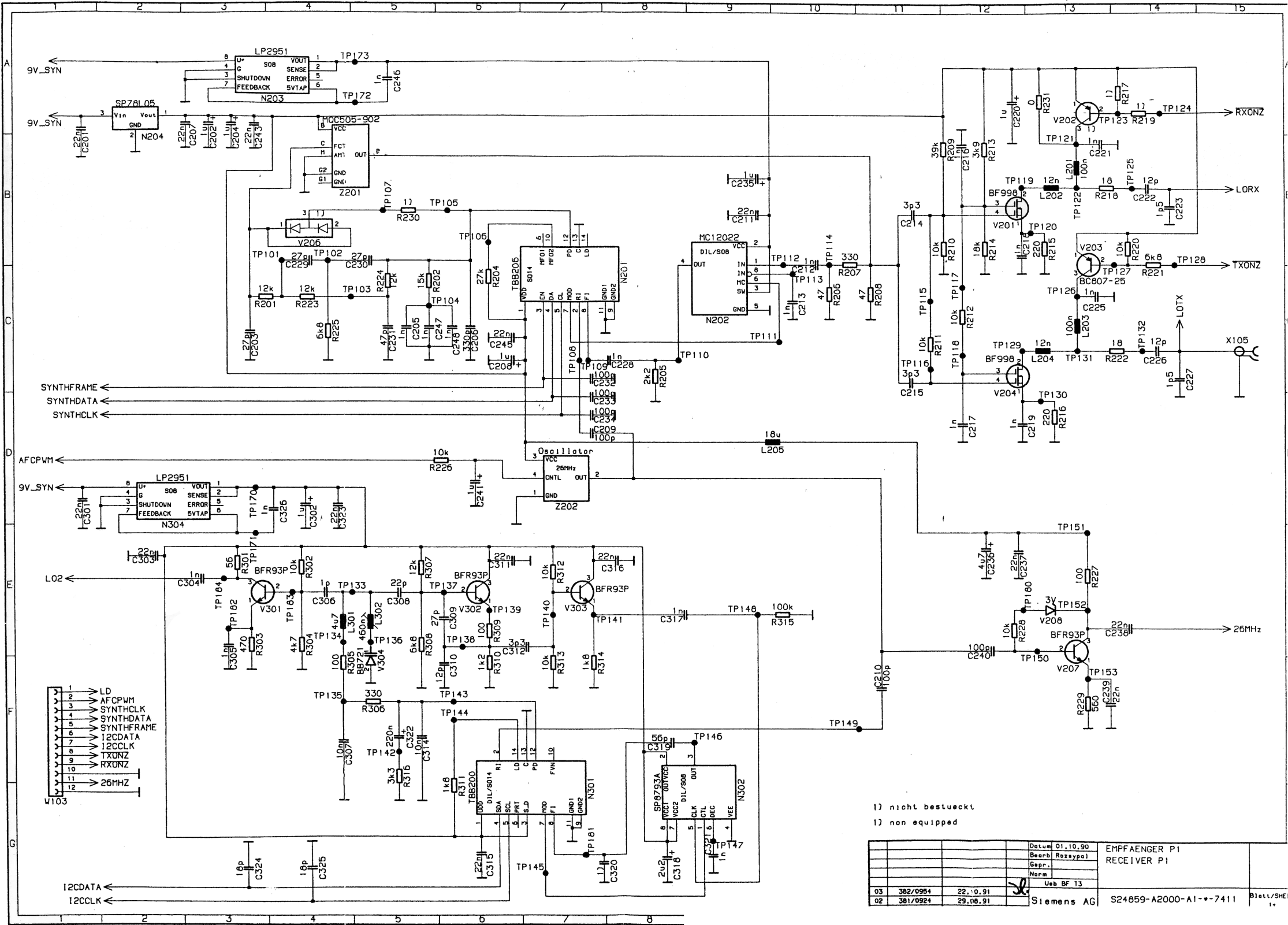
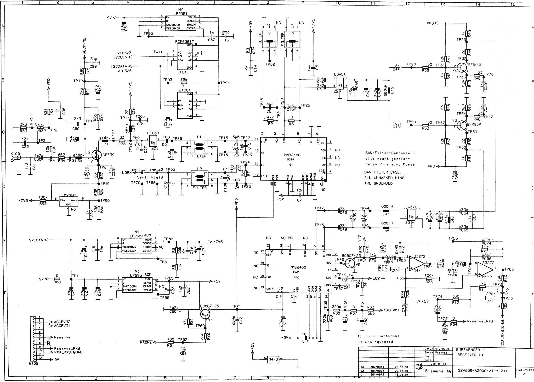
| Schaltpläne: |
|
sind hier:
|